z6.com

z6.com(中国区)官方网站
z6.com(中国区)官方网站

旋转接头

首页 - 产品展示

big20224151717534630

MXQ型 双通路(内管旋转式)

型号:MXQ
表管:螺纹或法兰
特点:球面密封设计 ; 尺度碳石墨密封技术 ; 可更换性密封底盖 ; 最大化轴承间距 ; 改进型接头和虹吸器支持 ; 旋转式或固定式虹吸器 。

技术参数:
合用介质 扰淄、蒸汽
最高温度 ≤220℃(蒸汽),≤350℃(油)
最高压力 ≤1.8MPa
最高转快 20A-80A≤250rpm; 90A-150A≤100rpm


产品征询 返回列表

销售服务热线:

0595-8686 1188

z6.com(中国区)官方网站

RN

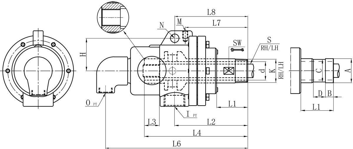
Model K I O S1 d L1 L2 L3 L4 L6 L7 L8 M N H SW 法兰式表管尺寸对照表
A B C D
20A R3/4" Rc3/4" Rc1/2" 12 18 46 104 20 139 199 96 / M10 / / 24 26 11 24 16
25A R1" Rc3/4" Rc1/2" 16 23.5 51 110 25 151 210 109 / M10 / / 32 34 12 32 18
32A R1-1/4" Rc1" Rc1/2" 20 30 51 122 30 184 238 108 139 M10 14 60 41 40 13 38 20
40A R1-1/2" Rc1-1/4" Rc3/4" 25 36 62 143 35 200 278 133 149 M10 16 71 45 47.8 13 45 20
50A R2" Rc1-1/2" Rc1" 32 45 71 161 40 223 312 150 173 M12 18 81 55 60 16 57 24
65A R2-1/2" Rc2" Rc1-1/4" 40 58 76 178 45 251 357 157 183 M12 20 91 70 74 19 70 24
80A R3" Rc2-1/2" Rc1-1/2" 46 72 87 264 45 324 424 187 214 M12 20 110 85 87 25 84 24

如属规格品表,本公司可共同要求造作 。

规格尺寸如有批改,恕不另行通知 。


z6.com(中国区)官方网站

RT

Model K I O S d L1 L2 L3 L4 L6 L7 L8 M N H SW 法兰式表管尺寸对照表
A B C D
20A R3/4" Rc3/4" Rc1/2" Rp1/4" 18 46 104 20 139 199 96 / M10 / / 24 26 11 24 16
25A R1" Rc3/4" Rc1/2" Rp3/8" 23.5 51 110 25 151 210 109 / M10 / / 32 34 12 32 18
32A R1-1/4" Rc1" Rc1/2" Rp1/2" 30 51 122 30 184 238 108 124 M10 14 60 41 40 13 38 20
40A R1-1/2" Rc1-1/4" Rc3/4" Rp3/4" 36 62 143 35 200 278 133 149 M10 16 71 45 47.8 13 45 20
50A R2" Rc1-1/2" Rc1" Rp1" 45 71 161 40 223 312 150 173 M12 18 81 55 60 16 57 24
65A R2-1/2" Rc2" Rc1-1/4" Rp1-1/4" 58 76 178 45 251 357 157 183 M12 20 91 70 74 19 70 24
80A R3" Rc2-1/2" Rc1-1/2" Rc1-1/2" 72 87 264 45 324 424 187 214 M12 20 110 85 87 25 84 24

如属规格品表,本公司可共同要求造作 。

规格尺寸如有批改,恕不另行通知 。

Copyright ?z6.com 版权所有 闽ICP备05026600号 中机尺度化钻研院 网站建设:科伟网络

【网站地图】